측온저항계(RTD) 결선 방법
RTD는 프로세스, 베어링 및 모터 권선의 온도를 측정하는 데 사용됩니다. RTD의 저항은 온도 변화에 따라 변하며 온도를 측정하기 위해 많은 응용 분야에서 사용됩니다. RTD는 일반적으로 2선, 3선 및 4선의 세 가지 RTD 배선 구성으로 작동합니다.
RTD는 온도 변화에 따라 RTD 전체에 전압 강하를 제공하는 회로(트랜스미터에 있음)와 결합됩니다. 이 전압 변화는 온도 트랜스미터에 의해 온도로 표현됩니다.
RTD를 트랜스미터에 연결하기 위해 케이블이 연결 매체입니다. 케이블에는 RTD 저항에 추가되는 특정 저항이 있습니다. 따라서 총 저항은 RTD 저항과 리드선 저항의 합입니다. 이로 인해 RTD 측정 시스템에서 더 많은 전압 강하가 발생하고 결과적으로 측정이 부정확해집니다.
1. 2선식 RTD
- RTD 구성의 가장 간단한 형태입니다.
- RTD에 외부 리드를 추가하고 트랜스미터에 연결하기만 하면 됩니다.
- RTD 리드의 양쪽 끝이 RTD와 트랜스미터 사이에 직렬 연결이 있기 때문에 2선 구성을 직렬 구성이라고 합니다.

- 위의 이미지는 리드선 L1과 L2가 휘트스톤 브리지에 연결된 2선 RTD RT를 보여줍니다. Es는 공급 전압이고 Eo는 출력 전압입니다. R1, R2 및 R3은 Wheatstone 브리지의 3개의 다른 레그 저항입니다.
- L1 및 L2는 부정확한 판독값을 유발하는 RTD의 저항에 직접 추가됩니다.
- RTD 저항 = RT(저항) + L1(저항) + L2(저항) 리드 저항으로 인해 온도 측정 오류가 발생합니다.
- 2선식 RTD는 가장 단순한 형태의 RTD 구성으로 비용은 가장 적게 들지만 정확도도 가장 낮습니다.

- 표준 IEC-60751에 따르면 2선식 RTD의 리드선 색상은 빨간색과 흰색입니다.
2. 3선식 RTD
- 3선식 RTD 구성은 산업 공정 및 모니터링 응용 분야의 온도 측정에 가장 많이 사용되고 적합합니다.
- 3와이어 구성에서 2개의 와이어는 감각 요소의 한쪽에 있는 모니터링 장치에 센서 요소를 연결하고 다른 하나는 다른 쪽에 연결합니다.
- 3개의 리드 와이어가 모두 동일한 재질이어야 한다는 점에 유의하는 것이 매우 중요합니다.

- 3선 RTD 구성에서 RTD에는 3개의 도선 L1, L2 및 L3이 있습니다. Es는 공급 전압이고 Eo는 휘트스톤 브리지의 출력 전압입니다. R1, R2 및 R3은 RTD Wheatstone 브리지의 다른 3개 레그 저항기입니다.
- 3와이어 RTD는 (L1 저항 + L2 저항 + RT)와 (L2 저항 + L3 저항) 간의 저항 차이를 계산하여 작동합니다.
- 3개의 도선, 즉 L1, L2 및 L3 모두 동일한 저항을 가집니다.
- 3와이어 RTD 구성을 사용한 온도 측정의 정확도는 이 방법이 리드선 저항을 어느 정도 제거하기 때문에 훨씬 더 좋습니다. 따라서 이 RTD 구성은 대부분의 온도 측정 애플리케이션에 가장 적합합니다.

- 표준 IEC-60751에 따르면 3선 RTD의 리드선 색상은 빨간색, 빨간색 및 흰색입니다.
3. 4선식 RTD
- 4선식RTD는 모든 RTD 구성 중에서 가장 정확합니다.
- 4선식 RTD는 리드선 저항을 제거할 뿐만 아니라 2선식 RTD 구성과 3선식 RTD 구성으로 제거하지 못하는 접점에서 추가된 다른 저항도 제거합니다.

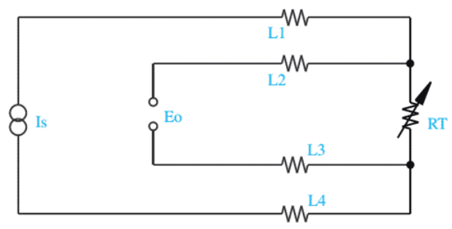
- 4와이어 RTD에서 RTD에는 L1, L2, L3 및 l4 리드 와이어가 있습니다. 전류 Is는 알려진 소스의 공급 전류이고 Eo는 4선 RTD의 출력 전압입니다.
- L1 저항 및 L4 저항은 L2 저항, L3 저항, RTD RT 및 전압 센서를 형성하는 회로에 전원을 공급합니다. 여기서 RTD(RT)의 실제 저항을 알기 위해 간단한 옴의 법칙을 적용할 수 있습니다. RTD의 전압은 E0입니다. E0=임*RT. 따라서 전압 Eo는 실제 RTD 저항 값을 나타냅니다.
- 따라서 4와이어 RTD는 리드 와이어 저항 문제를 완전히 제거합니다.
- 4선식 RTD는 높은 정확도가 요구되기 때문에 실험실의 온도 측정에 가장 적합합니다.

- 표준 IEC-60751에 따르면 4선식 RTD의 리드선 색상은 빨간색, 빨간색과 흰색 및 흰색입니다.